污水流量計對鍋爐連續排污流量測量改造
點擊次數:3163 發布時間:2020-08-10 06:57:55
摘要:采用LGPW-2型連排流量測量系統對鍋爐連續排污流量測量進行改造,此系統替代了原來的標準孔板節流裝置,并加裝來流壓力變送器,經過現場調試和一個階段的使用表明,該連排流量計測量精確、靈敏度高,能夠對機組各種工況下的連排流量進行準確測量,效果顯著,提高了機組的經濟運行指標。
電站的給水和補充水都經過化學處理,品質能夠達到一定要求,但仍攜帶少量雜質 ,進入鍋爐逐漸加熱后進入高溫高壓大蒸發量汽包,雜質將越積越多,如不及時排出高雜質的爐水,爐水中的雜質將通過汽包內高溫高壓飽和的蒸汽進行機械攜帶和溶解性攜帶或選擇性攜帶,大大影響了蒸汽的品質。如果從鍋爐產生的蒸汽品質較差,攜帶鹽分較多,在流經過熱器時,會在過熱器管壁上結垢,使過熱器超溫甚至燒壞。蒸汽流過汽輪機使汽輪機通流部分結垢,造成汽輪機出力下降,軸向推力增加,嚴重將影響轉子平衡,甚至造成重大事故。
鍋爐連續排污,就是為了機組在正常運行中保證汽水的品質,使蒸汽含鹽量不超過0.1~0.2mg/kg。為了保證汽水品質,必須把爐水質量控制在允許范圍內。所以要連續不斷的從汽包排出雜質較高的一部分爐水,使爐水含鹽量不致過高。但排污水的溫度和壓力都較高,除了引起工質損失外,還會造成可觀的熱量損失。鍋爐運行過程中排污量DPW與鍋爐蒸發量D之比排污率p應控制在1%~2%,在爐水品質合格的前提下,應**將連續排污流量調整到*小*佳狀態。鍋爐汽包的連續排污流量是火力發電廠一項重要的經濟指標,準確測量鍋爐連續排污流量尤顯重要。本文以寶雞寶雞*二發電有限責任公司4×300MW機組的#1~#4機組連排流量測量系統為研究對象,對系統改造前后的性能進行了分析。
一、改造前的測量系統狀況
寶雞*二發電有限責任公司4×300MW機組的#1~#4機組連排流量測量系統原采用差壓標準孔板節流裝置,配一臺量程為(0~120)kPa的1151差壓變送器進行測量。
從鍋爐汽包排出的處于飽和狀態的爐水經過排污管道、連排電動門和連排調節閥門等的節流后進入排污擴容器,管道內的介質是汽水兩相混合物,且流動情況復雜。原標準節流孔板只能在被測介質是單相的工況下,由變送器測出通過孔板的水的差壓,然后將差壓信號送到分散控制系統中,由分散控制系統對差壓信號和流量進行轉換,*后以瞬時流量的形式顯示在CRT上供運行人員監視。一旦測量的介質中是蒸汽或汽水混合物時,測量值要么無顯示,要么波動大。該套測量裝置便無法準確測量流量,給運行人員開關排污門的大小帶來影響,排污流量不準確,為機組的經濟運行帶來不利的影響。因此2002年9月決定采用LGPW-2型連排流量測量裝置替換原來的測量系統。
二、現連排流量測量系統工作原理
LGPW-2鍋爐連續排污流量測量裝置由節流件(該節流件是異型孔板)、變送器及二次顯示儀表組成。它的工作原理是當被測介質通過節流件異型孔板時,節流件前后產生壓差△P,經壓力P差壓變送器將來流壓力及差壓變換為4-20mA標準電流信號,并將信號送入二次儀表。在二次儀表中,信號經單片微處理器處理,按照多相流量測量原理獲得被測介質的瞬時流量和累計流量,分別顯示在二次儀表上,另外還輸出與瞬時流量相對應的標準電流信號至分散控制系統供CRT顯示用。理論原理為:假設汽液兩相分別流過孔板,無相間動量交換,無相變過程,滿足絕熱條件。由此得到理想化的孔板分離流模型為:

式中G為質量流量,A=2·a·F,△P為差壓方根的統計平均值,X為相質量流量比份(Xc為蒸汽干度),ρ為密度,腳碼c為相汽,d為液相。
繼續假設:汽液兩相以環狀流過孔板,汽相自由流動且不含液滴,液相被孔板阻滯、累積,然后以脈沖形式噴放。
孔板相分離模型可得:

式中,△Po為孔板差壓噪聲方根的幅值,θ為孔板相分離系數,主要取決于孔板的孔徑比和汽液兩相的密度比。式(3)顯示了孔板測量汽液兩相流式,差壓噪聲方根幅值的統計平均值正比于液相流量。換言之,干度越小,差壓噪聲越大。
將式(3)的兩邊分別除以式(2)的兩邊,可得:

式(5)、(6)即為利用孔板差壓噪聲測量汽液兩相流雙參數(例如質量流量和干度) 的理論模型。根據上述的模型,配單異形孔板的測量儀表,把壓力變送器和差壓變送器的4~20毫安直流信號經I/V轉換再經A/D變換成數字量,再經數字濾波和統計估計可得數學模型計算所需的參數,并按壓力P由相應子程序計算密度和熱焓,從而算出汽水兩相流的質量流量并可遠傳至DCS顯示。同時對流量進行累積運算并顯示。
三、LGPW-2型連排流量計的改造安裝
異形孔板安裝在鍋爐30米處連排管段,截去一段加裝U形管段的來流直管段上,根據安裝要求,測點位置選在距離上游直管段1810mm,距離下游直管段1085mm處。符合“距離上游直管段>10D(D=56mm,管道內徑),距離下游直管段>5D”的要求。孔板的取壓管為垂直向下,圓缺孔板的弦與管道橫截面水平中心線平行安裝。其改造安裝圖如圖1所示。

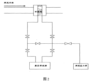
圖1表示該系統的核心部分采是異型孔板,虛線內表示改造部分,異型孔板安裝改造后的U形管段的來流直管段上。該孔板能夠測量在兩向流工況下的流體差壓。其節流件安裝如圖2所示。

圖2是表示流量件與差壓變送器的連接圖,節流孔板的安裝必須使節流件刀口的方向與介質的流向相垂直,而且刀口有刃的一面背對來流方向,來流壓力變取壓于正壓側,才能保證測量的準確性。
這種方法是標準的安裝方法,信號的可傳輸測量距離更長些,讀數也更精確。信號經電纜連接至12.6米電子間內的顯示儀表上。顯示儀表現場接線完畢后,用遙控器對儀表進行初始化,設置有關特性參數,如大氣壓力、排污管道的管徑、管道材料熱膨脹系數、流量濾波系數、弓高等,二次顯示儀表就可工作。當有兩相流排污時,該系統可通過來流壓力、孔板差壓、汽包壓力等三個信號進行綜合測量瞬時流量并送DCS畫面顯示,同時二次顯示儀表可顯示累積流量,十分準確。
四、改造后流量系統的特點
1.在測量管段不全是單相介質的情況下,大流量和小流量均能測量,且準確度較高。
2.安裝方便,該流量計的安裝比較簡單,只需要將異形孔板安裝在鍋爐30米預先在連排管段做好的U形水平管段上,按要求將孔板方向按要求調好,然后將三個信號送到二次儀表上即可,而不像原測量系統先將介質由引壓管路引入變送器,再經由計算機進行開方運算,*后顯示出來。
3.維護和使用方便,儀表安裝完畢后使用遙控器對儀表進行初始化,將所需參數輸入儀表,然后將儀表零點和滿度調好,當儀表正常工作后,運行和檢修人員不需要再對儀表進行任何操作。
4.測量系統靜態調試完畢后,為進一步檢驗儀表的準確度和靈敏度,進行動態調試實驗,根據實驗結果閥門的開度與連排流量的瞬時值成比例關系,且連排流量的瞬時值與兩個調閥開度值吻合,符合設計要求。
五、結論
LGPW-2型流量計比原測量系統反應靈敏度高,準確度較高。不再出現雖排污門有開度但無流量顯示,或工況一變就測量誤差大等現象,有效地保證了機組的連排流量的測量。經過此次改造,證明采用LGPW-2型連排流量測量系統對鍋爐連續排污流量測量進行改造是成功的,它能準確的測量工況復雜的連續排污介質的瞬時流量,為運行人員提供可靠的運行參數,為機組的經濟運行提供了有利可靠的保證。


