
氖氣流量計
- 品*:JKM/凱銘儀表
- 型號:JKM-LUGB
- 測量范圍:5-11000m3/h
- 精度等級:1.5級、1.0級
- 公稱通徑:DN20~DN1200
- 適用介質:氣體、液體、蒸汽
- 工作壓力:1.6MPa~10MPa
- 工作溫度:-80℃~450℃
- 供電方式:24VDC 鋰電池
- 訂貨號:BHPZUJEQJ154


氖氣流量計口徑與流量范圍
|
儀表口徑 (mm) | 液體 | 氣體和蒸汽 | ||
|
測量范圍 (m/h) |
輸出頻率范圍 (Hz) |
測量范圍 (m/h) |
輸出頻率范圍 (Hz) | |
| 15 | 0.3-6 | 36-446 | 2.4-36 | 260-1600 |
| 20 | 0.6-40 | 32-396 | 4-50 | 230-1360 |
| 25 | 1.2~16 | 25~336 | 8.8~55 | 190~1140 |
| 32 | 1.5-20 | 16-286 | 10-160 | 160-1090 |
| 40 | 2~40 | 10~200 | 27~205 | 140~1040 |
| 50 | 3~60 | 8~160 | 35~380 | 94~1020 |
| 80 | 6.5~130 | 4.1~82 | 86~1100 | 55~690 |
| 100 | 15~220 | 4.7~69 | 133~1700 | 42~536 |
| 150 | 30~450 | 2.8~43 | 347~4000 | 33~380 |
| 200 | 45~800 | 2~31 | 560~8000 | 22~315 |
| 250 | 65~1250 | 1.5~25 | 890~11000 | 18~221 |
| 300 | 95~2000 | 1.2~24 | 1360~18000 | 16~213 |
| (300) | 100~1500 | 5.5~87 | 1560~15600 | 85~880 |
| (400) | 180~3000 | 5.6~87 | 2750~27000 | 85~880 |
| (500) | 300~4500 | 5.6~88 | 4300~43000 | 85~880 |
| (600) | 450~6500 | 5.7~89 | 6100~61000 | 85~880 |
| (800) | 750~10000 | 5.7~88 | 11000~110000 | 85~880 |
| (1000) | 1200~1700 | 5.8~88 | 17000~170000 | 85~880 |
| >(1000) | 協議 | 協議 | ||
氖氣流量計選型表
| 代號 | 通徑 | 流量范圍m3/h(飽和蒸汽180℃ ρ=5.157Kg/m3) | |||||
| KMLU-25 | DN25 | 6.5~90 | DN300以上推薦使用插入式渦街流量計 | ||||
| KMLU-32 | DN32 | 10~140 | |||||
| KMLU-40 | DN40 | 16~220 | |||||
| KMLU-50 | DN50 | 26~350 | |||||
| KMLU-65 | DN65 | 44~580 | |||||
| KMLU-80 | DN80 | 65~900 | |||||
| KMLU-100 | DN100 | 100~1400 | |||||
| KMLU-125 | DN125 | 165~2150 | |||||
| KMLU-150 | DN150 | 230~3100 | |||||
| KMLU-200 | DN200 | 420~5550 | |||||
| KMLU-250 | DN250 | 650~8650 | |||||
| KMLU-300 | DN300 | 950~12500 | |||||
| 代號 | 功能1 | ||||||
| N | 無溫壓補償(適合做外補) | ||||||
| Y | 自帶溫壓補償一體式 | ||||||
| 代號 | 輸出型號 | ||||||
| F1 | 4-20mA輸出(二線制) | ||||||
| F2 | 4-20mA輸出(三線制) | ||||||
| F3 | RS485通訊接口 | ||||||
| 代號 | 被測介質 | ||||||
| J3 | 蒸汽 | ||||||
| 代號 | 連接方式 | ||||||
| L1 | 法蘭卡裝式 | ||||||
| L2 | 法蘭連接式 | ||||||
| 代號 | 功能2 | ||||||
| E2 | 1.5級 | ||||||
| T3 | 蒸汽 | ||||||
| P1 | 1.6MPa | ||||||
| P2 | 2.5MPa | ||||||
| P3 | 4.0MPa | ||||||
| D1 | 內部3.6V供電 | ||||||
| D2 | DC24V供電 | ||||||
| B1 | 不銹鋼 | ||||||
| B2 | 碳鋼 | ||||||
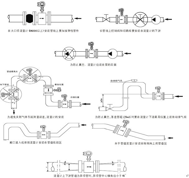
氖氣流量計的安裝要求
1、合理選擇安裝場所和環境。避開強電力設備,高頻設備,強電源開關設備;避開高溫熱源和輻射源的影響,避開強烈震動場所和強腐蝕 環境等,同時要考慮安裝維修方便。
2、上下游必須有足夠的直管段。若傳感器安裝點的上游在同一平面上有二個90°彎頭,則:上游直管段≥25D,下游直管段≥5D 。若傳感器安裝點的上游在不同平面上有二個90°彎頭,則:上游直管段≥40D,下游直管段≥5D 。調節閥應安裝在傳感器的下游5D以外處,若必須安裝在傳感器的上游,傳感器上游直管段應不小于50D,下游應有不小于5D。
3、安裝點上下游的配管應與傳感器同心,同軸偏差應不小于0.5DN。
4、管道采取減振動措施。傳感器盡量避免安裝在振動較強的管道上,特別是橫向振動。若不得已要安裝時,必須采取減振措施,在傳感器的上下游2D處分別設置管道緊固裝置,并加防振墊。
5.在水平管道上安裝是流量傳感器*常用的安裝方式。測量氣體流量時,若被測氣體中含有少量的液體,傳感器應安裝在管線的較高處。測量液體流量時,若被測液體中含有少量的氣體,傳感器應安裝在管線的較低處。
6.傳感器在垂直管道的安裝。測量氣體流量時,傳感器可以安裝在垂直管道上,流向不限。若被測氣體中含有少量的液體,氣體流向應由下向上。測量液體流量時,液體流向應由下向上:這樣不會將液體重量額外附加在探頭上。
7、傳感器在水平管道的側裝。無論測量何種流體,傳感器可以在水平管道上側裝,特別是測量過熱蒸汽,飽和蒸汽和低溫液體,若條件允許*好采用側裝,這樣流體的溫度對放大器的影響較小。
8.傳感器在水平管道的倒裝。一般情況下不推薦用此安裝方法。此安裝方法不適用于測量一般氣體、過熱蒸汽。可用于測量飽和蒸汽,適用于測量高溫液體或需經常清洗管道的情況。
9.傳感器在有保溫層管道上的安裝。測量高溫蒸汽時,保溫層*多不能超過支架高度的三分之一。
10.測壓點和測溫點的選擇。根據測量的需要,需在傳感器附近測量壓力和溫度時,測壓點應在傳感器下游的3-5D處,測溫點應在傳感器下游的6-8D處。



